Produktai
12KV lauko polius montuojamas grandinės pertraukiklis
  • 12KV lauko polius montuojamas grandinės pertraukiklis12KV lauko polius montuojamas grandinės pertraukiklis
  • 12KV lauko polius montuojamas grandinės pertraukiklis12KV lauko polius montuojamas grandinės pertraukiklis
  • 12KV lauko polius montuojamas grandinės pertraukiklis12KV lauko polius montuojamas grandinės pertraukiklis

12KV lauko polius montuojamas grandinės pertraukiklis

Model:ZW20-12F
„Anqiang Power“ yra Kinijos 12 kV lauko stulpų montuojamų grandinės pertraukiklių gamintojas. Šios lauko stulpuose sumontuotos elektros paskirstymo įrangos vardinė įtampa yra 12 kV ir ji veikia trifaze kintamąja 50 Hz. Jis pasižymi puikiomis pakartotinio uždarymo galimybėmis, kai naudojamas su valdikliu, atitinka paskirstymo automatizavimo sistemų reikalavimus. Jis pirmiausia naudojamas įjungti ir išjungti apkrovos sroves ir trumpojo jungimo sroves 10 kV elektros sistemose, taip pat pastotėse ir pramonės bei kasybos įmonių paskirstymo sistemose.

Anqiang pagamintas lauko stulpelis ZW20-12F 12KV jungiklis sklandžiai integruoja vakuuminio grandinės pertraukiklio, pakartotinio uždarymo ir sekcijavimo funkcijas.  Jo įrangos korpuse naudojama „Toshiba“ VSP5 dujomis sandari, sprogimui atspari ir izoliacinės konstrukcijos technologija. Siekiant geresnio sandarinimo, buvo patobulinti įeinančių ir išeinančių linijų vamzdžiai. Spyruoklės veikimo mechanizmas buvo miniatiūrinis, o pagrindinė grandinė turi mažą kontaktinį pasipriešinimą. Todėl šis lauke esantis aukštos įtampos grandinės pertraukiklis yra priežiūros nereikalaujantis gaminys ir tinkamiausias pasirinkimas ant stulpų montuojamiems grandinės pertraukikliams.

Faktinės prekės nuotraukos

12KV Outdoor Pole Mounted Circuit Breaker

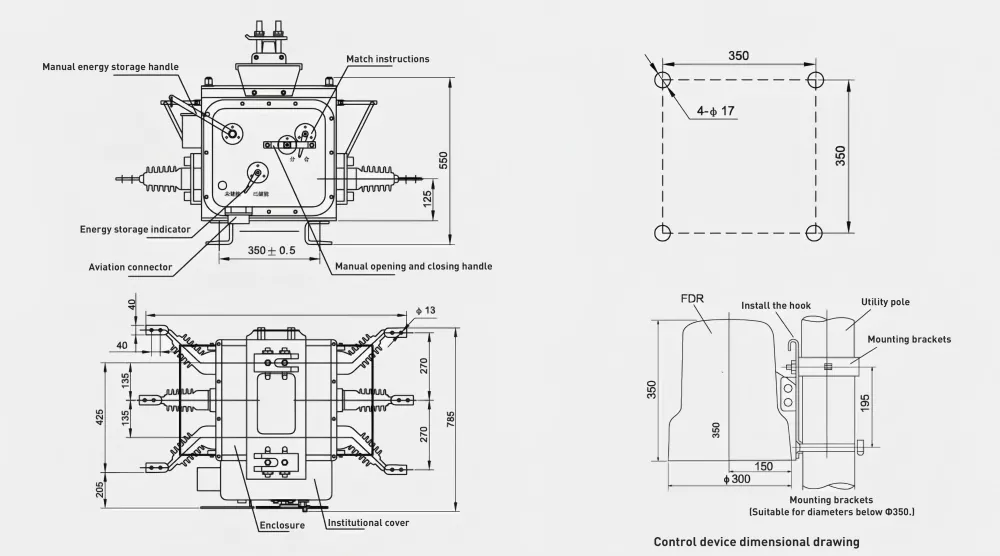
Gaminio matmenų diagrama

12KV Outdoor Pole Mounted Circuit Breaker

Techniniai parametrai

Projektas

Parametrų reikšmė

Nominali įtampa

12kV

Vardinis dažnis

50 Hz

Nominali srovė

630/1000 A

Nominali trumpojo jungimo pertraukimo srovė

20/25 kA

Vardinė didžiausia atsparumo srovė

50/63 kA

Vardinė trumpalaikė atsparumo srovė

20/25 kA

Nominali trumpojo jungimo srovė

50/63 kA

Nominali veikimo seka

Atidaryti - 0,3 sekundės - Uždaryti - 180 sekundžių - Atidaryti - Uždaryti

Mechaninis gyvenimas

10 000 kartų

Vardinės srovės nutraukimo ciklai

10 000 kartų

Nominali trumpojo jungimo galia

30 kartų

SF6 vardinis dujų slėgis

0Mpa


Produkto privalumai

Šis 12 kV lauko stulpelis montuojamas grandinės pertraukiklis turi apsaugą nuo viršsrovių ir mechanizmo spyruoklinės energijos kaupimo indikatorių.  Jame taip pat yra antrinių elektros jungčių aviacijos jungtis, palengvinanti integraciją su išmaniaisiais valdikliais. Dėl puikių elektrinių ir mechaninių savybių ZW20-12F lauko stulpas montuojamas vakuuminis grandinės pertraukiklis yra plačiai naudojamas.


Hot Tags: 12KV lauko stulpelis montuojamas grandinės pertraukiklis, lauko elektros grandinės pertraukiklis, aukštos įtampos grandinės pertraukiklio gamintojas
Siųsti užklausą
Kontaktinė informacija
  • Adresas

    Jinlu pramoninė zona, Beibaixiang miestas, Yueqing miestas, Venžou miestas, Džedziango provincija, Kinija

  • Tel

Jei turite klausimų apie grandinės pertraukiklį, apkrovos jungiklį, atjungimo jungiklį ar kainoraštį, palikite mums savo el. laišką ir mes susisieksime per 24 valandas.
X
Naudojame slapukus siekdami pasiūlyti geresnę naršymo patirtį, analizuoti svetainės srautą ir suasmeninti turinį. Naudodamiesi šia svetaine sutinkate su mūsų slapukų naudojimu. Privatumo politika
Atmesti Priimti