Produktai
Vidaus aukštos įtampos atjungimo jungiklis
  • Vidaus aukštos įtampos atjungimo jungiklisVidaus aukštos įtampos atjungimo jungiklis
  • Vidaus aukštos įtampos atjungimo jungiklisVidaus aukštos įtampos atjungimo jungiklis

Vidaus aukštos įtampos atjungimo jungiklis

Model:GN19-12
Anqiang Power yra Kinijos vidaus aukštos įtampos atjungimo jungiklio gamintojas. Šis aukštos įtampos atjungiklis yra patalpų tipo, pirmiausia naudojamas maitinimo sistemose, kurių vardinė įtampa yra 12 KV, o kintamosios srovės dažnis yra 50 Hz arba mažesnis, perjungiant srovę esant įtampai, bet be apkrovos.

„Anqiang Power“ vidaus aukštos įtampos atjungimo jungiklis yra trijų polių, susidedantis iš pagrindo rėmo, besisukančio veleno, švaistiklio, porcelianinių stulpelių izoliatorių, jungiklių menčių ir gnybtų blokų. Besisukantis velenas sumontuotas ant pagrindinio rėmo, prie viršaus privirintos trys poros svirčių. Šios svirtys yra prijungtos prie jungiklių menčių per švaistiklius ir porcelianinius izoliatorius. Besisukantis velenas tęsiasi nuo pagrindinio rėmo, o bet kurią jo dalį galima prijungti prie valdymo mechanizmo. GN19-12W yra taršai atsparus tipas; GN19-12G yra didelio aukščio tipas; GN19-12X turi įmontuotą įtampos indikatorių; o GN19-12ST yra dvigubo užmetimo tipo atjungimo jungiklis.

Produkto nuotraukos

Indoor High Voltage Disconnect Switch

Techniniai parametrai

Modelis ir specifikacijos

Nominali įtampa

Nominali srovė

Vardinė trumpalaikė atsparumo srovė

Vardinė didžiausia atsparumo srovė

GN19-12/400-12.5

12kV

400A

12,5kV

31,5 kA

GN19-12/630-20

12kV

630A

20kV

50kA

GN19-12/1000-31.5

12kV

1000A

31,5kV

80kA

GN19-12/1250-31.5

12kV

1250A

31,5kV

80kA

GN19-12C/400-12.5

12kV

400A

12,5kV

31,5 kA

GN19-12C/630-20

12kV

630A

20kV

50kA

GN19-12C/1000-31.5

12kV

1000A

31,5kV

80kA

GN19-12C/1250-31.5

12kV

1250A

31,5kV

80kA

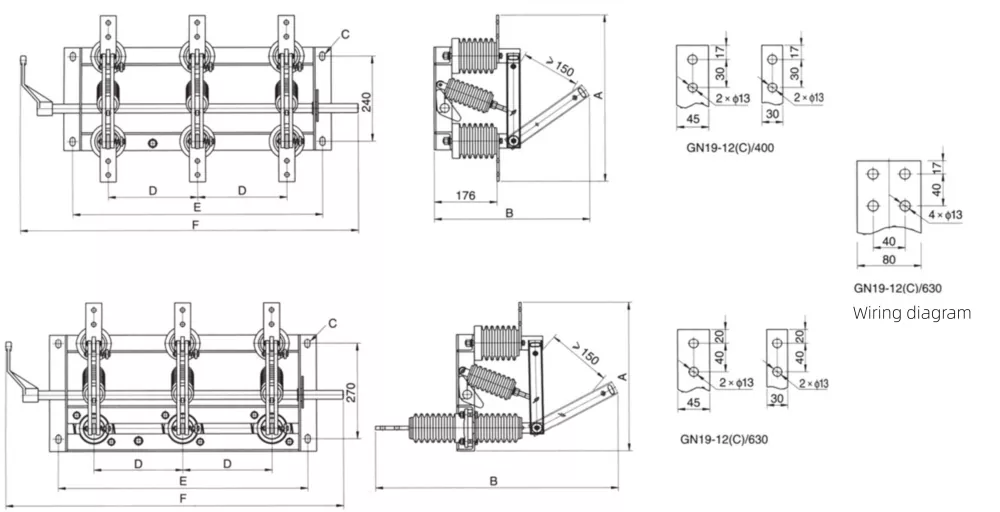
Gaminio matmenų diagrama

Indoor High Voltage Disconnect Switch

Modelis ir specifikacijos

A

B

C

D

GN19-12/400

450

446

185

4-14*24

GN19-12/630

470

446

185

4-14*24

GN19-12/1000/1250

510

500

196

4-18*28

GN19-12C/400

420

690

185

4-14*24

GN19-12C/630

430

690

185

4-14*24

GN19-12C/1000/1250

470

745

196

4-18*28


Hot Tags: Vidaus aukštos įtampos atjungimo jungiklių tiekėjas, patalpų atjungimo jungiklių gamykla, individualaus elektros jungiklio gamintojas
Siųsti užklausą
Kontaktinė informacija
  • Adresas

    Jinlu pramoninė zona, Beibaixiang miestas, Yueqing miestas, Venžou miestas, Džedziango provincija, Kinija

  • Tel

Jei turite klausimų apie grandinės pertraukiklį, apkrovos jungiklį, atjungimo jungiklį ar kainoraštį, palikite mums savo el. laišką ir mes susisieksime per 24 valandas.
X
Naudojame slapukus siekdami pasiūlyti geresnę naršymo patirtį, analizuoti svetainės srautą ir suasmeninti turinį. Naudodamiesi šia svetaine sutinkate su mūsų slapukų naudojimu. Privatumo politika
Atmesti Priimti